Product Summary
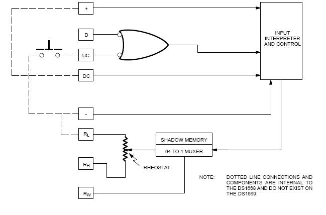
The DS1669S-10 is an electronic digital rheostat. It provide 64 possible uniform tap points over the resistive range and are available in standard versions of 10K, 50K, and 100K ohms. The DS1669S-10 can be controlled by either a mechanical–type contact closure input or a digital source input such as a CPU. Wiper position is maintained in the absence of power which is accomplished through the use of an EEPROM memory cell array. The DS1669S-10 is specified to accept greater than 80,000 writes.
Parametrics
DS1669S-10 absolute maximum ratings: (1)Voltage on Any Pin Relative to -V: -V–0.5V + 8.0V; (2)Operating Temperature: 0℃ to 70℃ commercial; –40℃ to +85℃ industrial; (3)Storage Temperature: –55℃ to +125℃; (4)Soldering Temperature: 260℃ for 15 seconds; (5)Supply Current: 2mA; (6) Supply Current, Idle State: 65μA; (7) Wiper Resistance: 1000Ω max.
Features
DS1669S-10 features: (1)Replaces mechanical variable resistors; (2)Available as the DS1668 with manual interface or the DS1669 integrated circuit; (3)Human engineered interface provides easy control with DS1668; (4)Electronic interface provided for digital as well as manual control; (5)Wide differential input voltage range between 4.5 and 8 volts; (6)Wiper position is maintained in the absence of power; (7)Low cost alternative to mechanical controls; (8)Applications include volume, tone, contrast, brightness, and dimmer control; (9)8-Pin SOIC and 8-Pin DIP packages for DS1669.
Diagrams

| Image | Part No | Mfg | Description | ![]() |
Pricing (USD) |
Quantity | ||||
|---|---|---|---|---|---|---|---|---|---|---|
![]() |
![]() DS1669S-10 |
![]() Maxim Integrated Products |
![]() Digital Potentiometer ICs |
![]() Data Sheet |
![]() Negotiable |
|
||||
![]() |
![]() DS1669S-10/T&R |
![]() Maxim Integrated Products |
![]() Digital Potentiometer ICs |
![]() Data Sheet |
![]() Negotiable |
|
||||
![]() |
![]() DS1669S-10+T&R |
![]() Maxim Integrated Products |
![]() Digital Potentiometer ICs Dallastat 10K Rheostat |
![]() Data Sheet |
![]() Negotiable |
|
||||
![]() |
![]() DS1669S-10+ |
![]() Maxim Integrated Products |
![]() Digital Potentiometer ICs Dallastat 10K Rheostat |
![]() Data Sheet |
![]() Negotiable |
|
||||
![]() |
![]() DS1669S-10/T&R/C05 |
![]() Maxim Integrated Products |
![]() Digital Potentiometer ICs |
![]() Data Sheet |
![]() Negotiable |
|
||||
![]() |
![]() DS1669S-10/T&R/C03 |
![]() Maxim Integrated Products |
![]() Digital Potentiometer ICs |
![]() Data Sheet |
![]() Negotiable |
|
||||
![]() |
![]() DS1669S-100+ |
![]() Maxim Integrated Products |
![]() Digital Potentiometer ICs Dallastat 100K Rheostat |
![]() Data Sheet |
![]() Negotiable |
|
||||
![]() |
![]() DS1669S-100+T&R |
![]() Maxim Integrated Products |
![]() Digital Potentiometer ICs Dallastat 100K Rheostat |
![]() Data Sheet |
![]() Negotiable |
|
||||
(China (Mainland))











