Product Summary
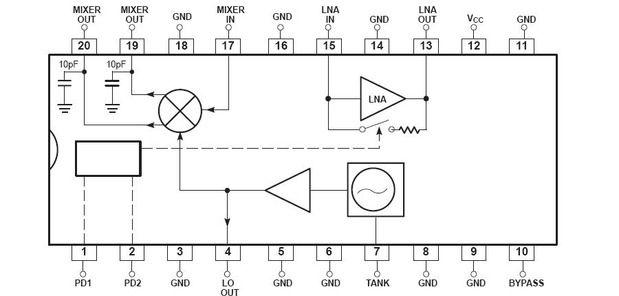
The SA621DK is a combined low-noise amplifier, mixer and VCO designed for high-performance low-power communication systems from 800-1000MHz. The SA621DK has a 1.7dB noise figure at 881MHz with 15dB gain and an IP3 intercept of -7dBm at the input. The gain is stabilized by on-chip compensation to vary less than ±0.2dB over -40℃ to +85℃ temperature range. The wide-dynamic-range mixer has a 12dB noise figure and IP3 of +4.5dBm at the input at 881MHz. The integrated VCO circuit with external resonator produces a high quality LO signal that drives the mixer and is buffered to an external PLL synthesizer IC. The nominal current drawn from a single 3V supply is 13.3mA. Additionally, the entire circuit can be powered down to further reduce the supply current to less than 20μA. The applications of the SA621DK include 900MHz cellular and cordless front-end, Spread spectrum receivers, RF data links, UHF frequency conversion, Portable radio.
Parametrics
SA621DK absolute maximum ratings: (1)VCC Supply voltage: -0.3V to +6V; (2)VIN Voltage applied to any other pin: -0.3 to (VCC + 0.3) V; (3)PD Power dissipation, TA = 25℃ (still air)2 20-Pin Plastic SSOP: 980mW; (4)TJMAX Maximum operating junction temperature: 150℃; (5)PMAX Maximum power input/output: +20dBm; (6)TSTG Storage temperature range: –65℃ to +150℃.
Features
SA621DK features: (1) Low current consumption; (2) Outstanding gain and noise figure; (3) Excellent gain stability versus temperature and supply voltage; (4) LNA, mixer and VCO power down capability; (5) Monotonic VCO frequency vs control voltage.
Diagrams

![]() |
![]() SA620 |
![]() Xeltek |
![]() Sockets & Adapters SOP32/SOJ32 SOCKET ADAPTER |
![]() Data Sheet |
![]()
|
|
||||||||||||
![]() |
![]() SA620DK |
![]() NXP Semiconductors |
![]() Up-Down Converters 1 GHZ LV LNA MIXER AND VCO |
![]() Data Sheet |
![]() Negotiable |
|
||||||||||||
![]() |
![]() SA620DK,112 |
![]() NXP Semiconductors |
![]() Up-Down Converters 1 GHZ LV LNA MIXER |
![]() Data Sheet |
![]()
|
|
||||||||||||
![]() |
![]() SA620DK,118 |
![]() NXP Semiconductors |
![]() Up-Down Converters 1 GHZ LV LNA MIXER |
![]() Data Sheet |
![]()
|
|
||||||||||||
![]() |
![]() SA620DK-T |
![]() NXP Semiconductors |
![]() Up-Down Converters 1 GHZ LV LNA MIXER AND VCO |
![]() Data Sheet |
![]() Negotiable |
|
||||||||||||
![]() |
![]() SA621 |
![]() Other |
![]() |
![]() Data Sheet |
![]() Negotiable |
|
||||||||||||
(China (Mainland))









