Product Summary
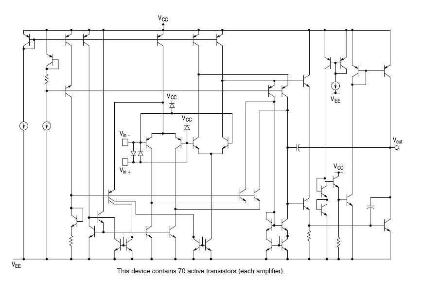
The MC33202 is a Rail-to-Rail Operational Amplifier. The inputs can be driven as high as 200mV beyond the supply rails without phase reversal on the outputs, and the output can swing within 50 mV of each rail. The MC33202 enables the user to make full use of the support voltage range available. It is designed to work at very low support voltages (± 0.9 V) yet can operate with a supply of up to +12 V and ground. Output current of the MC33202 boosting techniques provides a high output current capability while keeping the drain current of the amplifier to a minimum. Also, the combination of low noise and distortion with a high slew rate and drive capability make this an ideal amplifier for audio applications.
Parametrics
MC33202DR2G absolute maximum ratings: (1)Supply Voltage (VCC to VEE) VS:+13V; (2)Input Differential Voltage Range VIDR: Note 1V; (3)Common Mode Input Voltage Range (Note 2):VCMVCC + 0.5V to VEE - 0.5 VV; (4)Output Short Circuit Durations :Note 3sec; (5)Maximum Junction Temperature TJ: +150℃; (6)Storage Temperature Tstg:- 65℃ to +150℃; (7)Maximum Power Dissipation PD: Note 3mW.
Features
MC33202DR2G features: (1)Low Voltage, Single Supply Operation(+1.8 V and Ground to +12 V and Ground); (2)Input Voltage Range Includes both Supply Rails; (3)Output Voltage Swings within 50 mV of both Rails; (4)No Phase Reversal on the Output for Over-driven Input Signals; ; (5)High Output Current (ISC = 80mA, Typ); (6)Low Supply Current (ID = 0.9mA, Typ); (7)600 W Output Drive Capability; (8)Extended Operating Temperature Ranges(-40℃ to +105℃ and -55℃ to +125℃) ; (9)Typical Gain Bandwidth Product = 2.2MHz; (10)Pb-Free Packages are Available.
Diagrams

| Image | Part No | Mfg | Description | ![]() |
Pricing (USD) |
Quantity | ||||||||||||
|---|---|---|---|---|---|---|---|---|---|---|---|---|---|---|---|---|---|---|
![]() |
![]() MC33202DR2G |
![]() ON Semiconductor |
![]() Operational Amplifiers - Op Amps 1.8-12V Dual Rail to Rail -40 to 105 Cel |
![]() Data Sheet |
![]()
|
|
||||||||||||
| Image | Part No | Mfg | Description | ![]() |
Pricing (USD) |
Quantity | ||||||||||||
![]() |
![]() MC3302/4 |
![]() Other |
![]() |
![]() Data Sheet |
![]() Negotiable |
|
||||||||||||
![]() |
![]() MC33023 |
![]() Other |
![]() |
![]() Data Sheet |
![]() Negotiable |
|
||||||||||||
![]() |
![]() MC33023DW |
![]() ON Semiconductor |
![]() Current Mode PWM Controllers Single Ended Voltage |
![]() Data Sheet |
![]() Negotiable |
|
||||||||||||
![]() |
![]() MC33023DWG |
![]() ON Semiconductor |
![]() Current Mode PWM Controllers Single Ended Voltage or Current Mode PWM |
![]() Data Sheet |
![]()
|
|
||||||||||||
![]() |
![]() MC33023DWR2 |
![]() ON Semiconductor |
![]() Current Mode PWM Controllers Single Ended Voltage |
![]() Data Sheet |
![]() Negotiable |
|
||||||||||||
![]() |
![]() MC33023DWR2G |
![]() ON Semiconductor |
![]() Current Mode PWM Controllers Single Ended Voltage or Current Mode PWM |
![]() Data Sheet |
![]()
|
|
||||||||||||
(China (Mainland))










