Product Summary
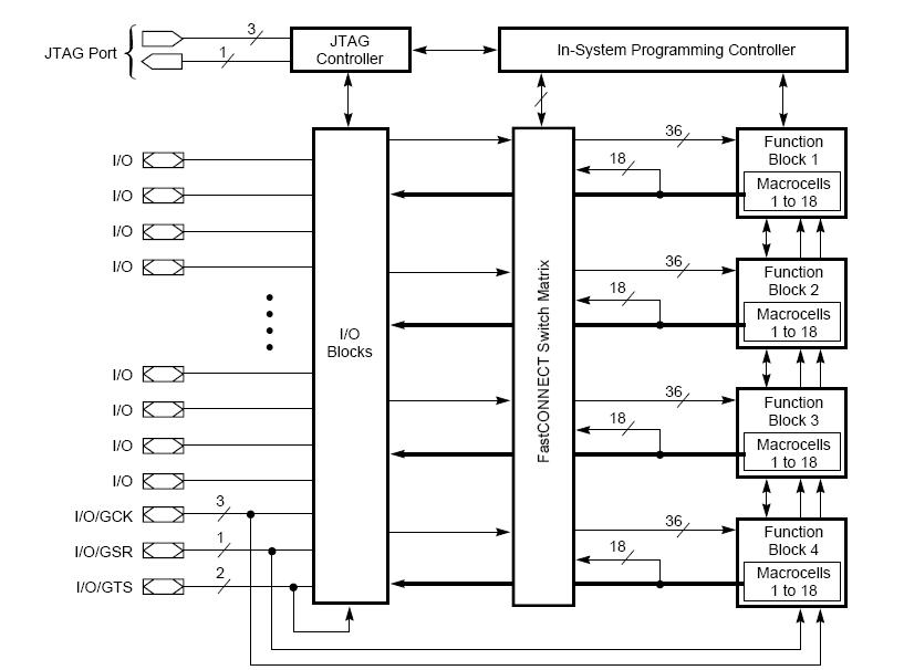
The XC9572-10PC84C is a high-performance CPLD providing advanced in-system programming and test capabilities for general purpose logic integration. The XC9572-10PC84C is comprised of four 36V18 Function Blocks, providing 1,600 usable gates with propagation delays of 7.5 ns.
Parametrics
XC9572-10PC84C absolute maximum ratings: (1)VCC Supply voltage relative to GND: -0.5V to 7.0V; (2)VIN DC input voltage relative to GND: -0.5V to VCC + 0.5V; (3)VTS Voltage applied to 3-state output with respect to GND: -0.5V to VCC + 0.5V; (4)TSTG Storage temperature: -65℃ to +150℃; (5)TSOL Max soldering temperature (10 s @ 1/16 in = 1.5 mm): +260℃.
Features
XC9572-10PC84C features: (1)7.5 ns pin-to-pin logic delays on all pins; (2)fCNT to 125 MHz; (3)72 macrocells with 1,600 usable gates; (4)Up to 72 user I/O pins; (5)5V in-system programmable (ISP); (6)Enhanced pin-locking architecture; (7)Flexible 36V18 Function Block; (8)Extensive IEEE Std 1149.1 boundary-scan (JTAG) support; (9)Programmable power reduction mode in each macrocell; (10)Slew rate control on individual outputs; (11)User programmable ground pin capability; (12)Extended pattern security features for design protection; (13)High-drive 24mA outputs; (14)3.3V or 5V I/O capability; (15)Advanced CMOS 5V FastFLASH technology; (16)Supports parallel programming of more than one XC9500 concurrently; (17)Available in 44-pin PLCC, 84-pin PLCC, 100-pin PQFP and 100-pin TQFP packages.
Diagrams

| Image | Part No | Mfg | Description | ![]() |
Pricing (USD) |
Quantity | ||||||||||||||||
|---|---|---|---|---|---|---|---|---|---|---|---|---|---|---|---|---|---|---|---|---|---|---|
![]() |
![]() XC9572-10PC84C |
![]() |
![]() IC CPLD 72 MCELL C-TEMP 84-PLCC |
![]() Data Sheet |
![]() Negotiable |
|
||||||||||||||||
| Image | Part No | Mfg | Description | ![]() |
Pricing (USD) |
Quantity | ||||||||||||||||
![]() |
![]() XC9500 |
![]() Other |
![]() |
![]() Data Sheet |
![]() Negotiable |
|
||||||||||||||||
![]() |
![]() XC9500XV |
![]() Other |
![]() |
![]() Data Sheet |
![]() Negotiable |
|
||||||||||||||||
![]() |
![]() XC9501 |
![]() Other |
![]() |
![]() Data Sheet |
![]() Negotiable |
|
||||||||||||||||
![]() |
![]() XC9502 |
![]() Other |
![]() |
![]() Data Sheet |
![]() Negotiable |
|
||||||||||||||||
![]() |
![]() XC9503 |
![]() Other |
![]() |
![]() Data Sheet |
![]() Negotiable |
|
||||||||||||||||
![]() |
![]() XC9503B093AR-G |
![]() |
![]() IC REG BUCK ADJ 1A DL 10MSOP |
![]() Data Sheet |
![]()
|
|
||||||||||||||||
(China (Mainland))










