Product Summary
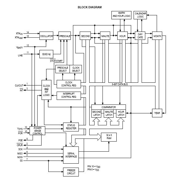
The MC68HC68T1P is a Real-Time Clock plus RAM with Serial Interface. The MC68HC68T1P contains a real–time clock/calendar, a 32×8 static RAM, and a synchronous, serial, three–wire interface for communication with a microcontroller or processor. Operating in a burst mode, successive Clock/RAM locations can be read or written using only a single starting address. An on–chip oscillator allows acceptance of a selectable crystal frequency or the device can be programmed to accept a 50/60 Hz line input frequency.
Parametrics
MC68HC68T1P absolute maximum ratings: (1)VDD DC Supply Voltage: –0.5V to + 7.0V; (2)Vin DC Input Voltage (except Line Input): – 0.5V to VDD + 0.5V; (3)Vout DC Output Voltage: –0.5V to VDD + 0.5V; (4)Iin DC Input Current, per Pin: ±10mA; (5)Iout DC Output Current, per Pin: ±10mA; (6)IDD DC Supply Current, VDD and VSS Pins: ±30mA; (7)PD Power Dissipation, per Package: 500mW; (8)Tstg Storage Temperature: –65℃ to + 150℃; (9)TL Lead Temperature (10–Second Soldering): 260℃.
Features
MC68HC68T1P features: (1)Full Clock Features -Seconds, Minutes, Hours (AM/PM), Day-of-Week,; (2)Date, Month, Year (0 ?99), Auto Leap Year; (3)32-Byte General Purpose RAM; (4)Direct Interface to Motorola SPI and National MICROWIRE Serial Data Ports; (5)Minimum Timekeeping Voltage: 2.2V; (6)Burst Mode for Reading/Writing Successive Addresses in Clock/RAM; (7)Selectable Crystal or 50/60 Hz Line Input Frequency; (8)Clock Registers Utilize BCD Data; (9)Buffered Clock Output for Driving CPU Clock, Timer, Colon, or LCD Backplane; (10)Power-on Reset with First Time-Up Bit; (11)Freeze Circuit Eliminates Software Overhead During a Clock Read; (12)Three Independent Interrupt Modes ?Alarm, Periodic, or Power-Down; (13)CPU Reset Output ?Provides Orderly Power-Up/Power-Down; (14)Watchdog Circuit; (15)Pin-for-Pin Replacement for CDP68HC68T1; (16)Chip Complexity: 8500 FETs or 2125 Equivalent Gates.
Diagrams

![]() |
![]() MC6800 |
![]() Other |
![]() |
![]() Data Sheet |
![]() Negotiable |
|
||||
![]() |
![]() MC6801 |
![]() Other |
![]() |
![]() Data Sheet |
![]() Negotiable |
|
||||
![]() |
![]() MC68020 |
![]() Other |
![]() |
![]() Data Sheet |
![]() Negotiable |
|
||||
![]() |
![]() MC68020CEH16E |
![]() Freescale Semiconductor |
![]() Microprocessors (MPU) 32-BIT MPU |
![]() Data Sheet |
![]() Negotiable |
|
||||
![]() |
![]() MC68020CEH25E |
![]() Freescale Semiconductor |
![]() Microprocessors (MPU) 32-BIT MPU |
![]() Data Sheet |
![]() Negotiable |
|
||||
![]() |
![]() MC68020CRC16E |
![]() Freescale Semiconductor |
![]() Microprocessors (MPU) 32-BIT MPU |
![]() Data Sheet |
![]() Negotiable |
|
||||
(China (Mainland))









