Product Summary
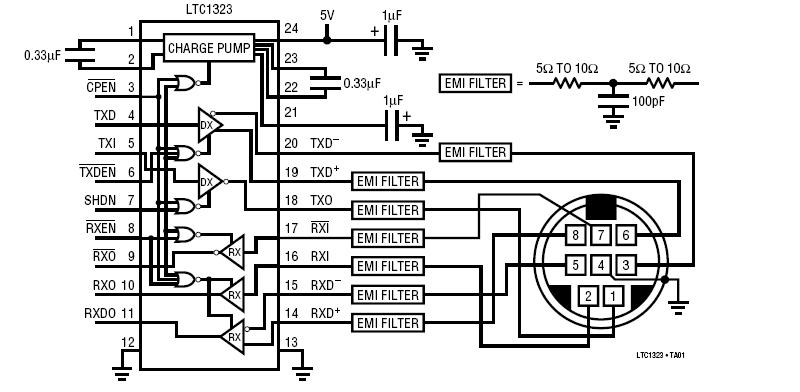
The LTC1323CSW is a multi-protocol line transceiver designed to operate on AppleTalk or EIA562-compatible single ended networks while operating from a single 5V supply. There are two versions of The LTC1323CSW available: a 16-pin version designed to connect to an AppleTalk network, and a 24-pin version which also includes the additional single-ended drivers and receivers necessary to create an Apple-compatible serial port. An on-board charge pump generates a – 5V supply which can be used to power external devices. Additionally, the 24-pin LTC1323 features a micropower keep-alive mode during which one of the single-ended receivers is kept active to monitor external wake-up signals. The LTC1323CSW draws only 2.4mA quiescent current when active, 65mA in receiver keep alive mode, and 0.5mA in shutdown, making it ideal for use in battery-powered systems. The applications of the LTC1323CSW include LocalTalk Peripherals, Notebook/Palmtop Computers, and Battery-Powered Systems.
Parametrics
LTC1323CSW absolute maximum ratings: (1)Supply Voltage (VCC): 7V; (2)Input Voltage Logic Inputs: -0.3V to VCC + 0.3V; (3)Receiver Inputs: ±15V; (4)Driver Output Voltage (Forced): ±15V; (5)Driver Short-Circuit Duration: Indefinite; (6)Operating Temperature Range: 0℃ to 70℃; (7)Storage Temperature Range:– 65℃ to 150℃; (8)Lead Temperature (Soldering, 10 sec): 300℃.
Features
LTC1323CSW features: (1)Single Chip Provides Complete LocalTalk AppleTalk Port; (2)Operates From a Single 5V Supply; (3)ESD Protection to ±10kV on Receiver Inputs and Driver Outputs; (4)Low Power: ICC = 2.4mA Typ; (5)Shutdown Pin Reduces ICC to 0.5μA Typ; (6)Receiver Keep-Alive Function: ICC = 65μA Typ; (7)Differential Driver Drives Either Differential AppleTalk or Single-Ended EIA562 Loads; (8)Drivers Maintain High Impedance in Three-State or with Power Off; (9)Thermal Shutdown Protection; (10)Drivers are Short-Circuit Protected.
Diagrams

| Image | Part No | Mfg | Description | ![]() |
Pricing (USD) |
Quantity | ||||||
|---|---|---|---|---|---|---|---|---|---|---|---|---|
![]() |
![]() LTC1323CSW#TRPBF |
![]() |
![]() IC TXRX EIA562 5V SINGLE 24-SOIC |
![]() Data Sheet |
![]()
|
|
||||||
![]() |
![]() LTC1323CSW#TR |
![]() |
![]() IC TXRX LOCALTALK/EIA562 24SOIC |
![]() Data Sheet |
![]()
|
|
||||||
![]() |
![]() LTC1323CSW#PBF |
![]() |
![]() IC TXRX EIA562 5V SINGLE 24-SOIC |
![]() Data Sheet |
![]()
|
|
||||||
![]() |
![]() LTC1323CSW |
![]() |
![]() IC TXRX EIA562 5V SINGLE 24-SOIC |
![]() Data Sheet |
![]()
|
|
||||||
(China (Mainland))









