Product Summary
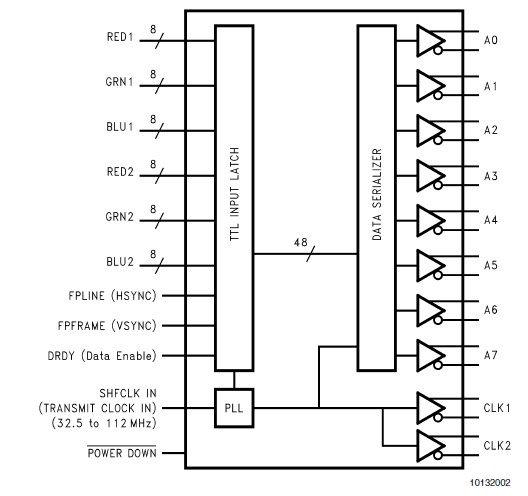
The DS90C387AVJD is a Dual Pixel LVDS Display Interface. It is designed to support dual pixel data transmission between Host and Flat Panel Display up to QXGA resolutions. The transmitter of the DS90C387AVJD converts 48 bits (Dual Pixel 24-bit color) of CMOS/TTL data into 8 LVDS (Low Voltage Differential Signalling) data streams. Control signals (VSYNC, HSYNC, DE and two user-defined signals) are sent during blanking intervals. At a maximum dual pixel rate of 112MHz, LVDS data line speed is 672Mbps, providing a total throughput of 5.38Gbps (672 Megabytes per second). Two other modes of the DS90C387AVJD are also supported. 24-bit color data (single pixel) can be clocked into the transmitter at a maximum rate of 170MHz. In this mode, the transmitter provides single-to-dual pixel conversion, and the output LVDS clock rate is 85MHz maximum. The third mode provides inter-operability with FPD-Link devices.
Parametrics
DS90C387AVJD absolute maximum ratings: (1)Supply Voltage (VCC): -0.3V to +4V; (2)CMOS/TTL Input Voltage: -0.3V to +5.5V; (3)CMOS/TTL Output Voltage: -0.3V to (VCC + 0.3V); (4)LVDS Receiver Input Voltage: -0.3V to +3.6V; (5)LVDS Driver Output Voltage: -0.3V to +3.6V; (6)LVDS Output Short Circuit Duration Continuous; (7)Junction Temperature: +150℃; (8)Storage Temperature: -65℃ to +150℃.
Features
DS90C387AVJD features: (1)Complies with OpenLDI specificatiofor digital display interfaces; (2)32.5 to 112/170MHz clock support for DS90C387, 40 to 112MHz clock support for DS90CF388; (3)Supports SVGA through QXGA panel resolutions; (4)Drives long, low cost cables; (5)Up to 5.38Gbps bandwidth; (6)Pre-emphasis reduces cable loading effects; (7)DC Balance data transmissioprovided by transmitter reduces ISI distortion; (8)Cable Deskew of +/.1 LVDS data bit time (up to 80 MHz Clock Rate) of pair-to-pair skew at receiver inputs; intra-pair skew tolerance of 300ps; (9)Dual pixel architecture supports interface to GUI and timing controller; optional single pixel transmitter inputs support single pixel GUI interface; (10)Transmitter rejects cycle-to-cycle jitter.
Diagrams

| Image | Part No | Mfg | Description | ![]() |
Pricing (USD) |
Quantity | ||||||||||||
|---|---|---|---|---|---|---|---|---|---|---|---|---|---|---|---|---|---|---|
![]() |
![]() DS90C387AVJD |
![]() National Semiconductor (TI) |
![]() LVDS Interface IC |
![]() Data Sheet |
![]()
|
|
||||||||||||
![]() |
![]() DS90C387AVJD/NOPB |
![]() National Semiconductor (TI) |
![]() LVDS Interface IC DISPL INTERFACE/FPD LINK TRANSMITTER |
![]() Data Sheet |
![]()
|
|
||||||||||||
(China (Mainland))










